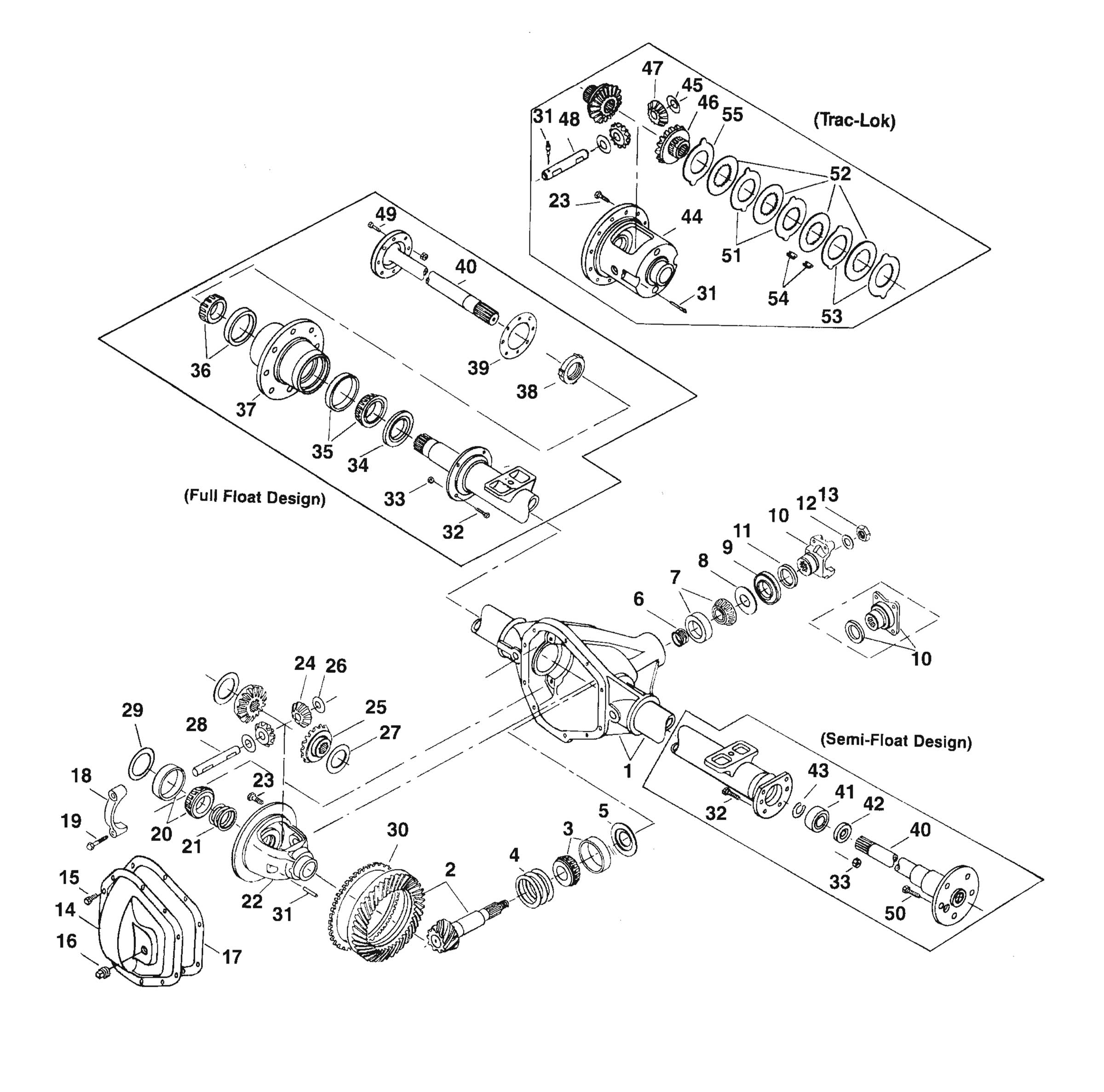
Dana 60 Differential – Common Applications
1977-1991 | Chevrolet K30 / K35 Front
1999-& Up | Ford Super Duty Front
1954-1979 | Ford F-250 Front/Rear
1975-1998 | Ford F-350 Front/Rear
2000-2004 | Ford F-450 / F-550 Front
1975-2002 | Dodge RAM 2500
1975-2002 | Dodge RAM 3500
1969-1974 | Dodge Charger
1968-1988 | Jeep J-Series
1971-2002 | Land Rover
1960’s & 70’s | Coronet, Challenger, R/T, Super Bee, Road Runner, Belvedere, Road Runner, CTX, Barracuda, Studebaker, etc.
Need Your Parts FAST?
Call (800) 510-0950
For the fastest and most accurate service, call our Differential Parts Experts for immediate assistance. We are available to help Monday thru Friday from 8 AM to 5 PM Pacific Standard Time, and most orders placed by 4 PM ship out the SAME DAY!
Contact Us
For inquiries about our products and services, please fill out the form below. We look forward to serving you!

West Coast Differentials has been distributing quality differential and axle parts since 1982. We believe that our exceptional customer service and product knowledge is what sets us apart from the competition. Give us a try, we think you'll be glad you did!
The most current parts and application information can always be found here on our website or by calling one of our differential parts experts. All of the parts we sell are also used every day in our busy service shop. This gives us confidence in the quality of the parts we sell.





