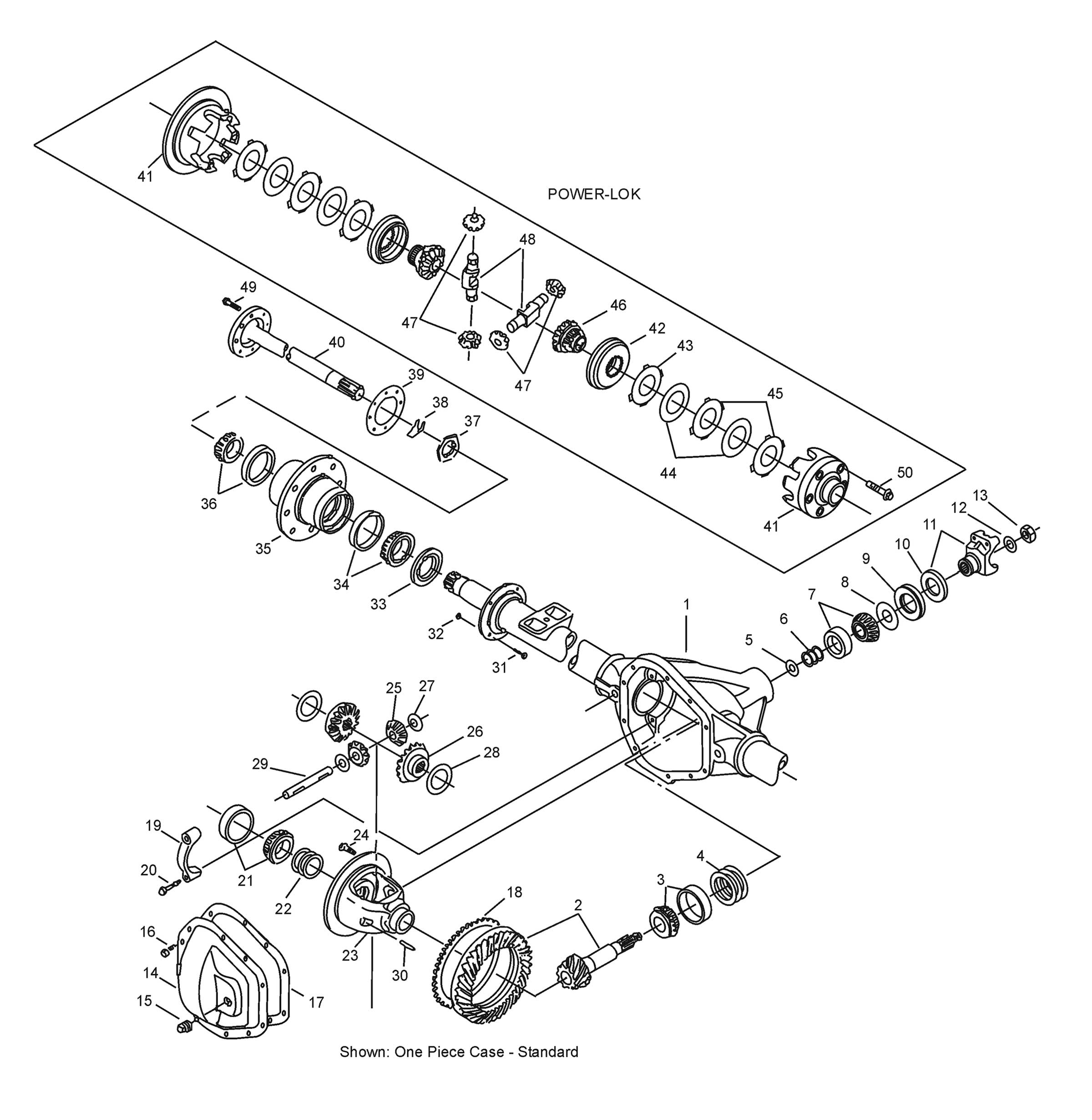
Additional Components For Dana 70 Axles
Dana 70™ Differential – Common Applications
1960-1993 | Dodge 3/4 & 1-Ton 4WD
1965-1993 | Dodge 3/4 & 1-Ton 2WD
2001-2011 | Ford F-250 Super Duty
1980-2002 | Ford F-350 Super Duty
1994-2002 | Dodge RAM 2500
1994-2002 | Dodge RAM 3500
1974-1998 | Chevrolet C30 / C35
1970-2000 | GMC K3- / K35
Need Your Parts FAST?
Call (800) 510-0950
For the fastest and most accurate service, call our Differential Parts Experts for immediate assistance. We are available to help Monday thru Friday from 8 AM to 5 PM Pacific Standard Time, and most orders placed by 4 PM ship out the SAME DAY!
Contact Us
For inquiries about our products and services, please fill out the form below. We look forward to serving you!

West Coast Differentials has been distributing quality differential and axle parts since 1982. We believe that our exceptional customer service and product knowledge is what sets us apart from the competition. Give us a try, we think you'll be glad you did!
The most current parts and application information can always be found here on our website or by calling one of our differential parts experts. All of the parts we sell are also used every day in our busy service shop. This gives us confidence in the quality of the parts we sell.




