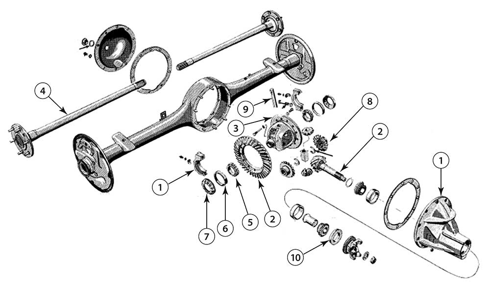
Additional Components For GM 55-64 Passenger Axles
GM ’55-’64 / 8.4″ Passenger Axle – Common Applications
1955-1964 | Chevrolet Bel Air
1956-1962 | Chevrolet Corvette
1957-1964 | Chevrolet Impala
1962-1964 | Chevrolet Nova
Need Your Parts FAST?
Call (800) 510-0950
For the fastest and most accurate service, call our Differential Parts Experts for immediate assistance. We are available to help Monday thru Friday from 8 AM to 5 PM Pacific Standard Time, and most orders placed by 4 PM ship out the SAME DAY!
Contact Us
For inquiries about our products and services, please fill out the form below. We look forward to serving you!

West Coast Differentials has been distributing quality differential and axle parts since 1982. We believe that our exceptional customer service and product knowledge is what sets us apart from the competition. Give us a try, we think you'll be glad you did!
The most current parts and application information can always be found here on our website or by calling one of our differential parts experts. All of the parts we sell are also used every day in our busy service shop. This gives us confidence in the quality of the parts we sell.



