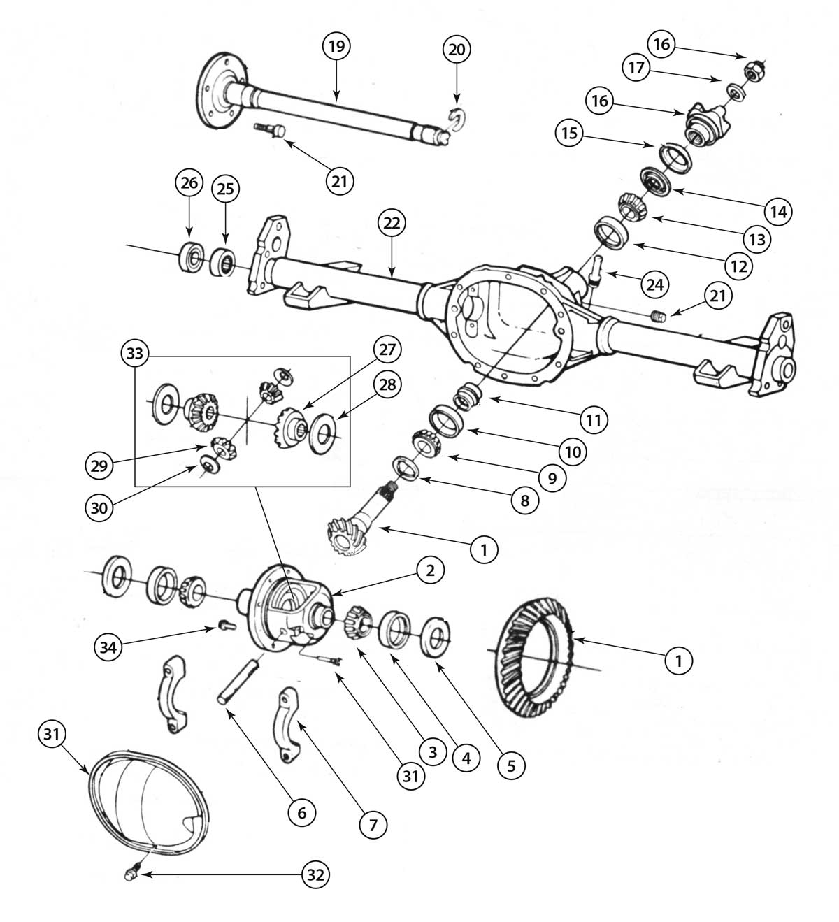
Additional Components For GM 8.2 Buick Olds Pontiac (B.O.P.)
GM 8.2″ Buick / Oldsmobile / Pontiac Differential – Common Applications
1964-1972 | Buick Skylark
1965-1972 | Buick Electra
1964-1972 | Oldsmobile 442
1964-1972 | Oldsmobile Cutlass
1964-1972 | Pontiac Catalina
1967-1972 | Pontiac Firebird
1964-1972 | Pontiac Grand Prix
1964-1972 | Pontiac GTO
1965-1972 | Pontiac LeMans
1964-1970 | Pontiac Tempest
1969-1972 | Pontiac Trans Am
Need Your Parts FAST?
Call (800) 510-0950
For the fastest and most accurate service, call our Differential Parts Experts for immediate assistance. We are available to help Monday thru Friday from 8 AM to 5 PM Pacific Standard Time, and most orders placed by 4 PM ship out the SAME DAY!
Contact Us
For inquiries about our products and services, please fill out the form below. We look forward to serving you!

West Coast Differentials has been distributing quality differential and axle parts since 1982. We believe that our exceptional customer service and product knowledge is what sets us apart from the competition. Give us a try, we think you'll be glad you did!
The most current parts and application information can always be found here on our website or by calling one of our differential parts experts. All of the parts we sell are also used every day in our busy service shop. This gives us confidence in the quality of the parts we sell.



